Particularități/avantaje ale produsului
Economie de energie datorită eficienţei superioare a sistemului cu funcţia Q-Limit (limitarea debitului)
Index îmbunătăţit de eficienţă energetică EEI ≤0,20 la toate pompele cu un rotor
Ecran optimizat pentru o uÅŸurinţă mai mare de citire ÅŸi o utilizare îmbunătăţită
Montaj economic datorită concepţiei compacte şi ecranului LCD independent de poziţie
Concept modular pentru conectarea tuturor sistemelor obişnuite de magistrală (de ex. Modbus, BACnet, CAN, LON, PLR)
Calitate consacrată şi fiabilitate
Utilizare
InstalaÅ£ii de încălzire cu apă caldă, de toate tipurile, instalaÅ£ii de climatizare, circuite închise de răcire, instalaÅ£ii industriale de recirculare.
Descriere/tip constructiv
Pompă de recirculare cu rotor umed, cu motor EC şi reglaj automat integrat pentru putere
Tehnologie cu buton roÅŸu ÅŸi ecran grafic
Protecţie pentru motor cu sistem electronic de declanşare
Conexiune cu fişă pentru extinderea funcţionalităţii cu modul IF opţional pentru automatizări de clădiri
Rotor cu palete curbate tridimensional şi stator cu manta din plastic, din material compus cu fibră de carbon
Echipare/funcționare
Moduri de funcţionare
Mod de acţionare manuală (n=constant)
Δp-c pentru presiune diferenÅ£ială constantă
Δp-v pentru presiune diferenÅ£ială variabilă
Δp-T pentru presiunea diferenÅ£ială în funcÅ£ie de temperatură (cu posibilitate de programare cu ajutorul IR Stick, al telecomenzii IR Monitor, Modbus, BACnet, LON sau CAN)
Q-limit pentru limitarea debitului volumetric maxim (reglare numai prin stick-ul IR)
Funcţii manuale
Reglarea modului de funcţionare
Reglarea valorii impuse pentru presiunea diferenţială
Reglarea operaţiei automate de revenire
Reglare pompă PORNIT / OPRIT
Reglarea turaţiei (reglaj manual)
Funcţii automate
Adaptarea continuă a performanÅ£elor în funcÅ£ie de regim
Funcţionare automată cu turaţie redusă
Funcţia de deblocare
Softstart
Protecţie totală a motorului cu sistem electronic de declanşare integrat
Funcţii de comandă externe
Intrare de comandă „Prioritate dezactivată“ (posibil cu module IF Stratos)
Intrare de comandă „Reducere prioritară“ (posibil cu module IF Stratos)
Intrare de comandă „Analog In 0 - 10 V“ (reglarea de la distanţă a turaÅ£iei) (posibil cu module IF Stratos)
Intrare de comandă „Analog In 0 - 10 V“ (reglarea de la distanţă a parametrilor nominali) (posibil cu module IF Stratos)
Funcţii de semnalizare şi afişare
Semnalizare generală de avarie (contact normal închis, fără potenÅ£ial)
Semnalizare specifică de funcţionare (contact ND fără potenţial) (posibil cu module IF Stratos)
Lampă de semnalizare a avariei
AfiÅŸaj cu cristale lichide pentru indicarea datelor pompei ÅŸi codurilor de eroare
Schimbul de date
Interfaţă în infraroÅŸu pentru schimbul de date fără fir cu IR Stick/telecomanda IR
Interfaţă serială digitală Modbus RTU pentru conectarea la automatizarea clădirii BMS prin intermediul sistemului BUS RS485 (posibil cu module IF Stratos).
Interfaţă serială digitală BACnet MS/TP Slave pentru conectarea la automatizarea clădirii BMS prin intermediul sistemului BUS RS485 (posibil cu module IF Stratos).
Interfaţă serială digitală CAN pentru conectarea la automatizarea clădirii BMS prin intermediul sistemului BUS CAN (posibil cu module IF Stratos).
Interfaţă LON serială, digitală, pentru racordarea la o reţea LONWorks (posibil cu module IF Stratos)
Interfaţă serială, digitală PLR pentru conectarea la sistem de automatizare clădiri (GA) prin convertor de interfaţă Wilo sau modul de cuplare procurat de client (posibil cu module IF Stratos).
Gestionarea pompelor cu două rotoare (pompă cu două rotoare sau două pompe cu un rotor)
Regim de funcÅ£ionare activ/rezervă (comutare automată în caz de avarie/alternarea programată a pompelor): posibile diferite combinaÅ£ii cu module IF Stratos (accesorii).
FuncÅ£ionare în paralel (conectare ÅŸi deconectare a vârfurilor de sarcină pentru optimizarea randamentului): posibile diferite combinaÅ£ii cu module IF Stratos (accesoriu)
Echipare
Loc pentru cheie la corpul pompei (la pompe cu racorduri filetate cu P2< 100 W)
La pompe cu flanşă: Modele flanşă
ExecuÅ£ie standard pentru pompele DN 32 până la DN 65: Flanşă combinată PN 6/10 (flanşă PN 16 conform EN 1092-2) pentru contraflanÅŸa PN 6 ÅŸi PN 16
Execuţie standard pentru pompele DN 80 / DN 100: Flanşă PN 6 (PN 16 dimensionată conform EN 1092-2) pentru contraflanşa PN 6
ExecuÅ£ie specială pentru pompele DN 32 până la DN 100: Flanşă PN 16 (conform EN 1092-2) pentru contraflanÅŸa PN 16
Soclu pentru extinderea opţională cu module Wilo-IF
TermoizolaÅ£ie, dotare de serie, pentru utilizare în instalaÅ£ii de încălzire
Materiale
Carcasa pompei: fontă cenuşie cu strat de acoperire prin cataforeză
Izolaţie termică: Polipropilenă
Arborele: oţel inoxidabil
Lagăr: cărbune impregnat cu metal
Rotor hidraulic: plastic
Conținutul livrării
Pompa
Inclusiv termoizolaţie
Inclusiv garnituri pentru racordurile filetate
Inclusiv ÅŸaibe pentru ÅŸuruburile flanÅŸelor combinate (pentru diametre nominale de racordare DN 32 - DN 65)
Inclusiv instrucţiuni de montaj şi de exploatare

Date tehnice
Domeniu de temperatură admis între -10°C ÅŸi +110°C
Alimentare electrică 1~230 V, 50/60 Hz
Tip de protecţie X4D
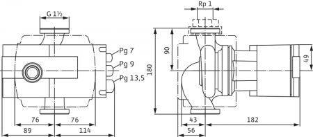
Racord cu fiting sau cu flanşă (în funcÅ£ie de model) Rp 1 până la DN 100
Presiune max. de lucru cu model standard: 6/10 bar sau 6 bar (model special: 10 bar sau 16 bar)
Greutate: 4.8 kg
Debit maxim: 8 mc/h
Inaltime max. de pompare: 10 mCA
Racord: G 1½