Aceste aeroterme sunt independente, cu tip de montaj suspendat, care nu necesita utilizarea unei centrale termice in instalatia aferenta. Se pot realiza astfel sisteme modulante ce constau in unul sau mai multe echipamente pentru a realiza necesarul de incalzire in spatii mici/medii.

Caracteristici aeroterma pe gaz Accoroni MEC:
Instalarea generatorului de aer cald Accoroni MEC este facila si economica. Absenta sistemului hidraulic implica lipsa pericolului de inghit si al posibilitatii deteriorarii peretilor incaperilor.
Rapiditatea instalatii aerotermelor MEC permite evitarea de lungi operatiuni de instalare la mare inaltime in incintele ce urmeaza a fi incalzite iar pornirea mult mai rapida permite realizarea de econimii importante de combustibil.
Aerotermele trebuie sa fie mopntate la o inaltimede minim 2.5 m fata de pardoseala. Nu este recomandata instalarea la inaltimi foarte mari deoarece poate aparea fenomenul de stratificare al aerului.
In cazul in care inaltime aspatiilor unde vor fi instalate aerotermele depaseste 6-7 m, este recomandata utilizare destratificarelor de aer impreuna cu aerotermele, pentru a asigura distributia optima a aerului cald, uniformizarea temeraturilor si pentru a reduce consumul energetic

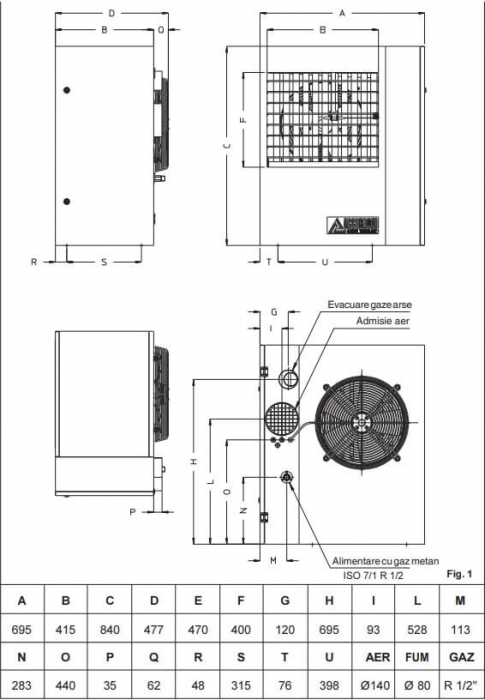
Specificatii tehnice:

Putere incalzire: 35 kW